公司簡介
關於我們
製造管理流程
設計&開發
實驗室設備
自動化設備
品質保證
產品目錄
全部
壓力平衡閥
Ø35mm
Ø40mm
Ø45mm
精密陶瓷閥芯
Ø25mm
Ø32mm
Ø35mm
接管式
接管式+節能閥
上封水
側邊出水&大流量
旋轉式
搖桿式
反向進水
單控閥芯
兩段式
節能閥
旗艦型
Ø40mm
接管式
上封水
側邊出水&大流量
旋轉式
搖桿式
兩段式
節能閥
反向進水
旗艦型
Ø45mm
Ø47mm
分水閥
Ø33mm
Ø35mm
混水+分水閥芯
Ø35mm
Ø40mm
2合1閥芯
Ø35mm
恆溫閥
40mm
下載專區
全部
證書
電子型錄
安裝說明書
最新訊息
聯絡我們
Q & A
English
繁體版
詢價車 (0)
登入
註冊
產品目錄
壓力平衡閥
Ø35mm
Ø40mm
Ø45mm
精密陶瓷閥芯
Ø25mm
Ø32mm
Ø35mm
接管式
接管式+節能閥
上封水
側邊出水&大流量
旋轉式
搖桿式
反向進水
單控閥芯
兩段式
節能閥
旗艦型
Ø40mm
接管式
上封水
側邊出水&大流量
旋轉式
搖桿式
兩段式
節能閥
反向進水
旗艦型
Ø45mm
Ø47mm
分水閥
Ø33mm
Ø35mm
混水+分水閥芯
Ø35mm
Ø40mm
2合1閥芯
Ø35mm
恆溫閥
40mm
訂閱電子報
首頁
產品目錄
精密陶瓷閥芯
Ø40mm
旗艦型
DH02GJ
DH02GJ
產品介紹
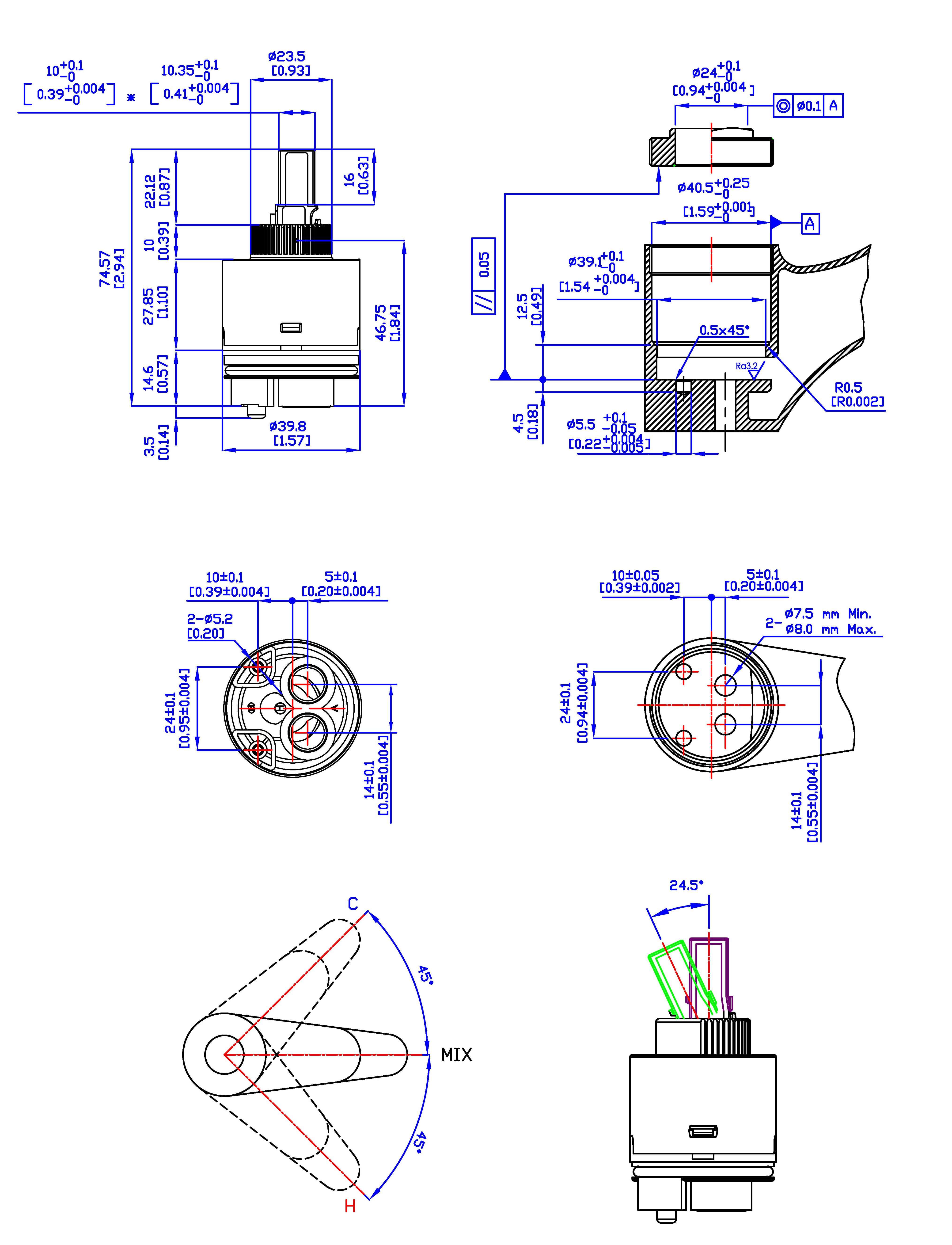
Model no. DH02GJ
產品名稱 : DH02GJ
產品描述
Ø40mm
空轉式
高腳
選配:定溫蓋、消音網、水捶防止機構
數量 :
詢價
規格資料總表
尺寸&銅體加工圖
陶瓷片技術要求
材質
AL
2
O
3
92%~96%
表面粗糙度
Ra 0.1 ~ Ra 0.3 μm
硬度
>1000 HV
平面度
<0.6 μm
技術規格
最大開啟角度
24.5°
最大旋轉角度
90°
螺帽扭矩
10~12 N.m
密封測試/耐壓測試
350~500 psi
最高使用溫度
90℃(194℉)
壽命測試
500,000 cycles (ASME A112.18.1)
70,000cycles (EN 817)
流量
水壓
熱水
(L/min)
冷水
(L/min)
混合水
(L/min)
1 bar
16.20
16.60
20.80
2 bar
23.00
23.00
26.80
3 bar
27.00
27.60
33.40
返回
頂部