




| Technical characteristics of the ceramic discs | |||
|---|---|---|---|
| Material | AL2O3 92%~96% | ||
| Surface roughness | Ra 0.1 ~ Ra 0.3 μm | ||
| Hardness | >1000 HV | ||
| Flatness | <0.6 μm | ||
| Technical characteristics of the cartridge | |||
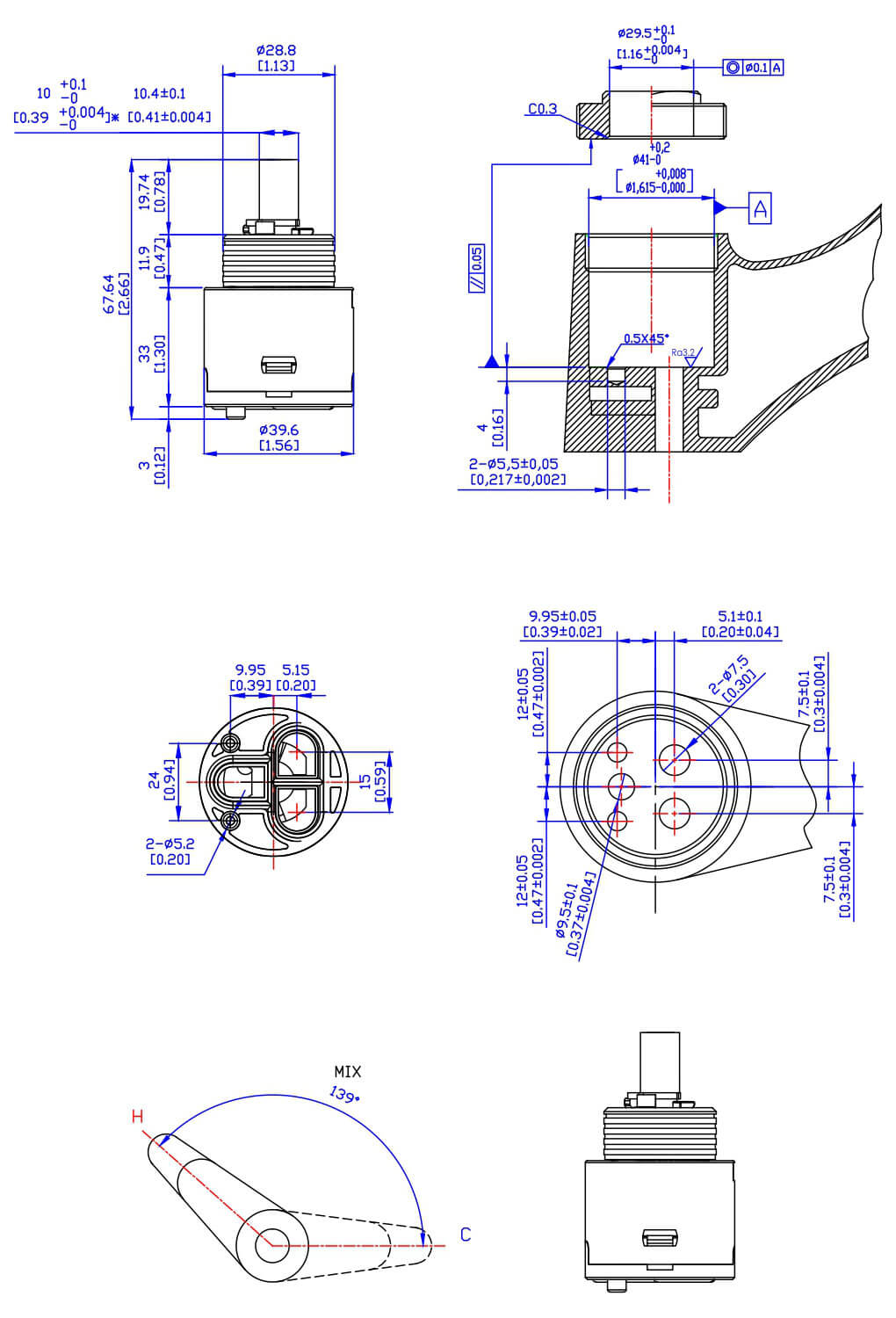
| Max. rotary angle | 139° | ||
| Recommended nut tightening torque | 10~12 N.m | ||
| Water resistance pressure | 350~500 psi | ||
| Max. temperature | 90℃(194℉) | ||
| Endurance test | 500,000 cycles (ASME A112.18.1) 70,000 cycles (EN 817) |
||
| Flow rate | |||
| Water pressure |
Hot (L/min) |
Cold (L/min) |
Mixing (L/min) |
| 1 bar | 9.92 | 8.72 | 15.92 |
| 2 bar | 13.48 | 12.24 | 21.26 |
| 3 bar | 16.32 | 14.72 | 26.40 |




